Index of /jjb/Motorola/

NameLast ModifiedSize
UpParent Directory
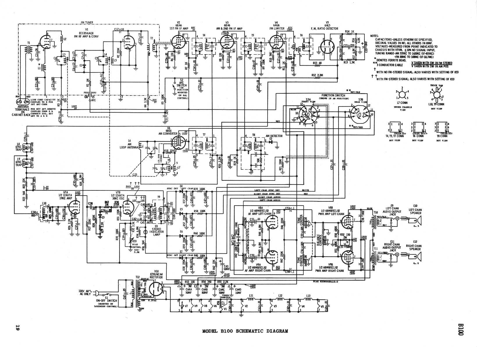
[IMG]B100.jpg2005-06-20 16:41 219k
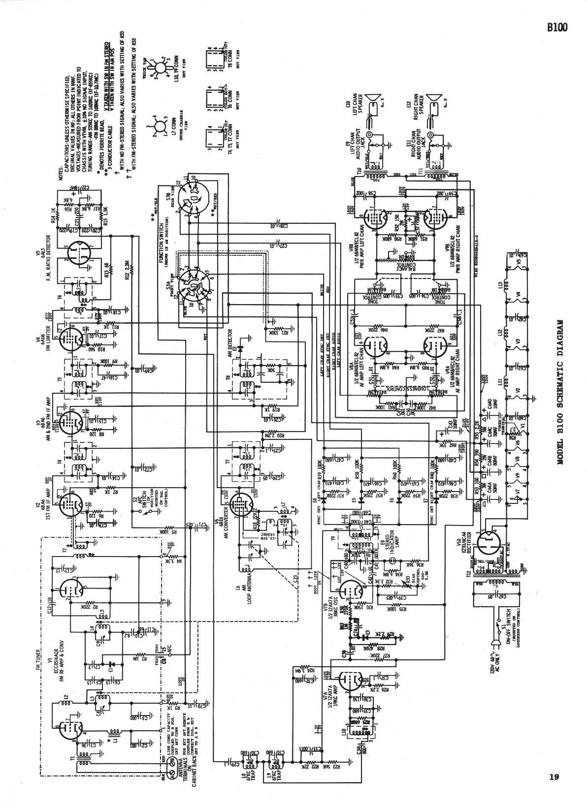
[IMG]B100_R.gif2005-08-18 19:35 654k
[IMG]chassis_received.gif2005-06-20 23:47 215k
Fileef_1_b.JPG2005-06-20 16:48 17k
[IMG]front_received.gif2005-06-20 23:45 198k
[IMG]Motorola-B100.jpg2005-06-20 16:43 18k
[IMG]overhead_received.gif2005-06-20 23:47 212k
[IMG]rear_received.gif2005-06-20 23:45 199k
[IMG]tubes_received.gif2005-06-20 23:46 191k
Proudly Served by LiteSpeed Web Server at www.julianbunn.org Port 443